特大橋橋梁橋墩混凝土缺陷檢測
導讀:受委托,我司檢測人員使用混凝土結構質量掃描系統對特大橋墩混凝土質量情況進行檢測,本次檢測采用彈性波二維斷面計算機層析掃描成像(CT)技術。
受委托,我司檢測人員使用混凝土結構質量掃描系統對特大橋墩混凝土質量情況進行檢測,本次檢測采用彈性波二維斷面計算機層析掃描成像(CT)技術。

橋墩混凝土缺陷檢測
檢測依據
1、GB/T50784-2013《混凝土結構現場檢測技術標準》;
2、JGJ/T411-2017《沖擊回波法檢測混凝土缺陷技術規程》。
檢測原理
本次檢測采用較為先進的混凝土無損檢測手段——彈性波二維斷面計算機層析掃描成像(CT)技術。
本系統中的彈性波 CT 技術的測線源為彈性波(P 波),通過對被檢對象進行掃描,彈性波在缺陷界面產生散射和衰減,可根據波幅變化的程度判斷缺陷的性質和范圍;彈性波中各頻率成份在缺陷界面衰減程度不同,接收信號的頻率明顯降低,可根據接收信號主頻或頻率譜的變化分析判別缺陷情況。
本方法的原理是依據“走時成像原理”,“走時成像原理”將信號作為投影數據,在有網格計算的數學模型下,利用同時迭代重建技術和約束最小二乘類算法若測試區域內有空洞或軟弱不密實區等缺陷,該方法以沖擊彈性波作為媒介,以能量和信號幅值作為計算依據,通過交叉測線對被檢對象進行全方位掃描。通過對采集數據的反演、重建得到能真實反映其結構內部情況的結構質量分布圖像,以達到檢測結構物內質量的目的。測線越多,CT 解析精度和分辨率越高。但根據現場實際情況,選擇適量測線條數即可。
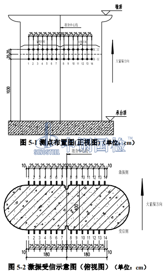
現場檢測
根據現場實際情況,對新建特大橋墩進行測點布置,在距離承臺頂 1050cm 上下各 20cm 處布置 2 個檢測斷面(每個檢測斷面分為兩個區域,左側區域、右側區域各布置 7 個測點,測點間距為 25cm,測試深度為 400cm)。現場激振錘采用 48 號錘進行測試,彈性波信號可覆蓋檢測斷面測點上下 30cm 范圍內。CT 測
線測點布置見下圖。

CT測線測點布置圖
檢測結論
測試結果顯示:橋墩檢測范圍內第 2 層左側區域、第 2 層右側區域混凝土存在若干相對軟弱區,第 1 層左側區域、第 1層右側區域混凝土質量整體較好,未見明顯缺陷。
中鋼國檢專業承接各類橋梁、公路、鐵路、隧道等工程檢測,全國有13家分子公司及30多個辦事處,各地區都有長期駐點檢測工程師,需要現場檢測,可派工程師直接去現場檢測,高效快速。